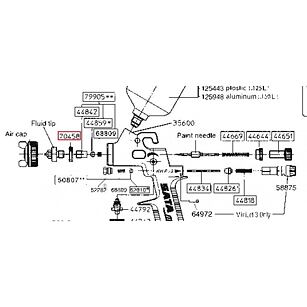
Speedway HVLP stříkací pistole tr.1,7mm
în stoc
48,53 €
Nabízíme široký výběr kvalitních stříkacích pistolí a příslušenství k pistolím od renomovaných výrobců jako A.N.I., Speedway nebo STAR. Pistole jsou vhodné jak pro profesionální, tak amatérské lakování aut. Pro kvalitní výsledek práce při stříkání barev a laků je nezbytný také kvalitní rozvod vzduchu.
Sortat după Doporučujeme: Produsele sunt filtrate conform /alebo/ sortate conform prețului în ordine descrescătoare. Produsele, care nu sunt dosponibile, sunt situate la capăt. În această secțiune au unele produse au pozițiile setate pe o anumită poziție.